2022年5月31日火曜日
これまでのあらすじ
ルータやらゲーム機やら触ると熱くて心配になる機器がいくつかあるので
FANで冷やしてやりたい。FANを定格で使用すると音が大きいので
出力を絞って使いたい。
PC用のPWM入力付き4PINファンを使えば入手性も良く値段も安いので
良いのではないか。
PC用FANの4PINコネクタはAliExpressで発見。
ESP32をコントローラにした高性能版(温度センサ、LCD、WiFi機能付き)ができたが、
通常仕様にはVRで風量調整ができれば十分。
オペアンプでPWM信号を発生させる
簡易FANコントローラを
ユニバーサル基板上に作成。無事、ルータを冷やすことができた。
ところがケースに収めようとするとユニバーサル基板が大きくて
不格好になってしまう。ケースにコンパクトに収納するため
専用基板を作成、動作確認すると一部のファンで速度調整が
できない。調査の結果、オペアンプのLowレベルの1.3V程度で
高すぎるのが原因と判明。オペアンプをRail-To-Railのものに
置き換え、一度は動くが電源耐圧が足りず壊れてしまった。
回路変更
電源は12Vで、これをスイッチでOn/Offしたり、
DCジャックの抜き差しなどすると
倍の24V程度の電圧が一時的に印加される。
もともとのオペアンプ
NJM4580は電源耐圧が±18Vの36Vだが、
Rail-to-Railのオペアンプ
NJM2746Eは15Vで足りない。
安いRail-to-Railのオペアンプで電源電圧36Vなどというものは
無いらしい。
対策は当初、電源を78L05等で5V程度に下げ、Rail-to-Railの
オペアンプでPWM信号を発生、これで
2N7002等のFETを駆動し
FANのPWM端子に接続することを考えたが、
最終段をFETにするのであれば Rail-To-Railのオペアンプである
必要はない、となれば電源電圧も下げる必要は無い、ということで
NJM4580のPWM発生回路の出力に2N7002をつなげるだけになった。
FETの動作
長いこと電子工作で遊んできたが
FETやトランジスタの動作の理解は適当だ。
On/Offだけの動作で使うことが多いので、それで済んでいる。
アナログ的な動作が必要な時はオペアンプを使う。
トランジスタはベース・エミッタ間がダイオードで
0.6Vを超えたら電流が流れる。
この電流のhFE倍(50~400とか)の電流が
コレクタ・エミッタ間に流れる。
FETはゲート・ソース間に VGS(th)以上の
電圧をかけるとドレイン・ソース間に電流が流れる。
ゲート・ソース間の静電容量が意外と大きいので
駆動時には注意。10000pFとかあったりする。
2N7002は小型なので最大50pF。
(参考:MOSFET 電気的特性(動的特性)について Ciss/Crss/Coss )
VGS(TH)
データシートによると
2N7002のVGS(th)は1.0~2.5V。
オペアンプNJM4580の出力はLowレベルでも1.3V程度あるので
直結では2N7002がOffにならない可能性がある。
Hiレベルは12V近くあるので
1/2~1/3程度に分圧し入力してやればよさそうだ。
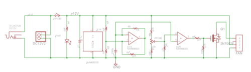
出来上がった回路図を示す。
基板製作
回路をユニバーサル基板で試すこともなく発注してしまう。
試作が面倒だし、基板製作が早く(1週間ぐらい)て安い(2,500円ぐらい)。
気軽に注文したせいかミスしてしまった。
DCジャックの穴を長穴でないパッケージのまま注文してしまった。
長穴のパターンではDRCでエラーが出すぎてチェックできないので、
チェック終了後に長穴のパッケージに変更するということをしているのだが、
それを忘れていた。基板CADはEAGLEを使用しているが、DRCでエラーが出ない
長穴というのは未だできないのだろうか?
DCジャックは幸い
長穴でないものがあり
なんとか差し込むことができる。
こちらのDCジャックを常用にすれば
基板の長穴問題は無くなるので良いのかもしれない。
組み立て後、動作を確認できた。
 |
 |
左、旧基板長穴有り
右、新基板長穴なし |
左、旧基板
右、新基板、FETが増えてる |
ケース問題
3Dプリンタでケースを作ってみたが収まりが良くない。
VRの軸を基板の長手方向に合わせたのが間違いだったのかもしれない。
こういうこともあろうかとVRとDCジャックは基板にコネクタ経由で
接続することも可能。
スイッチ付きパネル用VR
を購入し組み立ててみた。
これ用のケースは未設計だが、そのうち作ってみよう。
 |
 |
 |
| 作ってみたケース |
FANに取り付け後
DCジャックの位置とか不満 |
SW付きVRを外付けにする |