h_nari @ 熊本市のブログ。電子工作、プログラミング、ゲーム、TV、 政治、インターネットなどに日々の思い付きを、 うだうだ~と書いていきたい。
このブログにはコメント欄を設けておりません。 記事への御意見、ご質問はtwitter @h_nari宛に お願い致します。


アーカイブ


アマゾン・ベストセラー

メタ情報
RSS
Login

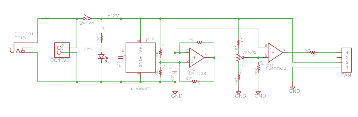
簡易FANコントローラ基板

小型化のため 簡易FANコントローラの 基板を製作した。 組み立てて動作を確認するが風量をコントロールできない。 以前試した 120mmFANは、ある程度コントロールできるが不安定。 新たに購入した 3個で1,480円のFANは全く反応しない。 常に全速力だ。

原因調査

最初PWMの周波数が範囲を外れているのではないかと考えた。 製作したコントローラのPWMは 18.8Khz。 ネットで調べると 25KHzという情報もある。 以前作ったESP32を使ったFANコントローラをPWMの 周波数を変更できるように改造し試したところ 5KHzでも50KHzでも問題なく風量をコントロールできる。

次にPWMのLowレベルの電圧が高すぎるのではないかと疑う。 普通のオペアンプ NJM4580CG を使用しているためLowレベルがGNDまで 下がりきらない。 1.3V程度ぐらいある。 回路図を以下に示す。

PWMの出力波形を以下に示す。

ブレッドボード上でトランジスタで回路を組み、 Lowレベルを下げたところ風量をコントロールできるようになった。 となれば解決方法は簡単だ。オペアンプをRail-to-Railの ものに交換してやれば良い。 幸い NJM2746Eが手持ちにあったので換装。 これで、ばっちり風量をコントロールできるようになった。

オペアンプ壊れる

これでメデタシメデタシ、PWMの出力波形をオシロでみようかと 思ったところ、オペアンプが熱い。火傷しそうなほど熱い。 風量のコントロールもできない。壊れてしまった。

原因を調べるべく NJM2746Eの電源の最大定格を見ると15V。 電源は12Vだが、DCジャックの抜き差しや、スイッチでのOn/Off で倍の電圧は出ると思ったほうが良い。 交換前のNJM4580CGは±18Vなので 36Vまでは耐えられる。 オシロで電源SWを入れたときの電源電圧を観測した波形を示す。 最大26Vぐらい印加されている。

対策

Rail-to-Railで電源耐圧30Vぐらいあるオペアンプがあれば 良いのだが、Rail-to-Railは低電圧用の技術だから そんなものは一般的でない。NJM2746Eの15Vは まだ高い方で 5.5Vなどというものも多い。 Rail-to-Railで±12Vという AD8397ARDZもあるが 単価530円で使いたくない。

みんな大好き NE555でPWM回路を組む案も検討するが 電源耐圧18Vぐらいで足りない。

レギュレータで電源を5V程度に落とし PWM信号を作り、 オペアンプの先に 2N7002Kでも つけてFANにつなげることにしよう。 レギュレータなら 78L05でも 耐圧30Vぐらいあるから大丈夫だ。

最後に

外部からくる電源に直接、普通のICをつなぐと やばいというのは知っているつもりだったが 見落としてしまった。注意しよう。